SAS address and physical location information
Many hardware error logs identify the location of a physical device, such as a SAS disk, using the unit address.
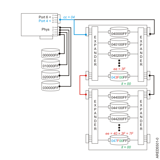
Unit Address Format prior to IBM® i 7.1 Technology Refresh PTF Group, Level 8
The unit address format is cceellFF, where:
- cc identifies the controller port to which the device, or device enclosure, is attached.
- ee is the expander port to which the device
is attached. When a device is not connected to a SAS expander, the
expander port is set to zero. Note: Generally, the range of the expander port is 00 to 3F hex. A value greater than 3F indicates there are two expanders (for example, cascaded expanders) between the controller and device. For example, a device connected through a single expander might show an expander port of 1A, while a device connected through a cascaded expander might show an expander port of 5A (that is, a value of 40 hex added to the expander port indicates the presence of a cascaded expander), but in both cases, the device is connected off port 1A of the expander.
- FF indicates that the expander port is not known.
- ll is the logical unit number (LUN) of the device. A value of FF indicates the LUN is not known.
A resource can identify a physical device or it can identify other SAS components. For example:
- FFFFFFFF indicates the identity of the device is not known or indicates a SAS RAID controller.
- ccFFFFFF identifies only a controller SAS port.
- cceellFF identifies the controller port, expander port, and LUN of an attached device.
Figure 1. Example of SAS subsystem unit addresses

Unit Address Format subsequent to IBM i 7.1 Technology Refresh PTF Group, Level 8
The unit address format is ttcceess, where:
- tt identifies the type of device.Note: A value of 00 indicates the device is a physical device (HDD or SSD). A value other than 00 indicates the device is a virtual IOP or a SAS RAID controller.
- L is the logical unit number (LUN) of the device
- cc identifies the controller's port to which the device, or device enclosure, is attached. Generally, the controller port is 00 to 7F hex. The upper bit of cc indicates the LUN of the device. For example, a device with LUN = 1 and attached off controller port = 4 would have a cc = 84 hex.
- ee is the expander port to which the device, or cascaded expander, is attached. When a device is not connected to a SAS expander, the expander port is set to FF. A value of FF indicates the expander port is not known or no expander exists.
- ss is the cascaded expander port to which the device is attached. A value of FF indicates the cascaded expander port is not known or no cascaded expander exists.
A resource can identify a physical device or it can identify other SAS components. For example:
- 00FFFFFF indicates the identity of the device is not known.
- 00ccFFFF identifies only a controller's SAS port or a directly attached device.
- 00cceeFF identifies the controller port and expander port of an attached device.
- 00cceess identifies the controller port, expander port, and cascaded expander port of an attached device.
- FEFFFFFF indicates a SAS RAID controller.
- FFFFFFFF indicates a virtual IOP.
Figure 2. Example of SAS subsystem unit addresses

Unit Address for PCIe controller 57CD
The following figure depicts the unit addresses for the CCIN 57CD
PCIe SAS RAID and SSD Adapter.
Note: Each of the integrated SSDs is
directly connected and thus the expander port is equal to zero in
the unit address. Also, the LUN of each device is zero.
Figure 3. SAS unit addresses for CCIN 57CD PCIe SAS RAID and SSD Adapter
3 Gb x8
