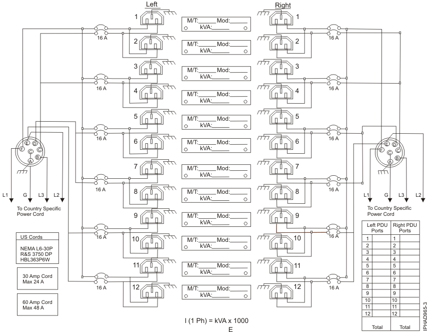
Learn how to calculate the power load for power distribution units.
This topic provides the power loading requirements and proper loading sequence for the 7188 or 9188 power distribution unit.
| Feature code | Power cord description | KVa available |
|---|---|---|
| 6489 | Power cord, PDU to wall, 4.3 m (14 ft), 3-phase, Souriau UTG, IEC 60309 32 A 3P+N+E plug | 21.0 |
| 6491 | Power cord, PDU to wall, 4.3 m (14 ft), 200 - 240 V ac, Souriau UTG, IEC 60309 63 A P+N+E plug | 9.6 |
| 6492 | Power cord, PDU to wall, 4.3 m (14 ft), 200 - 240 V ac, Souriau UTG, IEC 60309 60 A 2P+E plug | 9.6 |
| 6653 | Power cord, PDU to wall, 4.3 m (14 ft), 3-phase, Souriau UTG, IEC 60309 16A 3P+N+E plug | 9.6 |
| 6654 | Power cord, PDU to wall, 4.3 m (14 ft), 200 - 240 V ac, Souriau UTG, Plug type 12 plug | 4.8 |
| 6655 | Power cord, PDU to wall, 4.3 m (14 ft), 200 - 240 V ac, Souriau UTG, Plug type 40 plug | 4.8 |
| 6656 | Power cord, PDU to wall, 4.3 m (14 ft), 200 - 240 V ac, Souriau UTG, IEC 60309 32 A P+N+E plug | 4.8 |
| 6657 | Power cord, PDU to wall, 4.3 m (14 ft), 200 - 240 V ac, Souriau UTG, Plug type PDL plug | 4.8 |
| 6658 | Power cord, PDU to wall, 4.3 m (14 ft), 200 - 240 V ac, Souriau UTG, Plug type KP plug | 4.8 |
Follow these loading sequence steps:
Following these rules will allow the load to be distributed more evenly across the six PDU circuit breakers. Ensure that your total power load is below the maximum listed in the table and that each circuit breaker is not loaded above 15 A.
