Planning for serial-attached SCSI cables
Serial-attached SCSI (SAS) cables provide serial communication for transfer of data for directly attached devices, such as hard disk drives, solid-state drives, and CD-ROM drives.
SAS cable overview
Serial-attached SCSI (SAS) is an evolution of the parallel SCSI device interface into a serial point-to-point interface. SAS physical links are a set of four wires that are used as two differential signal pairs. One differential signal transmits in one direction while the other differential signal transmits in the opposite direction. Data might be transmitted in both directions simultaneously. SAS physical links are contained in ports. A port contains one or more SAS physical links. A port is a wide port if there are more than one SAS physical link in the port. Wide ports are designed to enhance performance and provide redundancy in case an individual SAS physical link fail.
There are two types of SAS connectors, mini SAS and mini SAS high density (HD). High-density cables are typically needed to support 6 Gb/s SAS.
Each SAS cable contains four SAS physical links that are typically organized into either a single 4x SAS port or two 2x SAS ports. Each end of the cable uses a mini SAS or mini SAS HD 4x connector. Review the following design and installation criteria before you install SAS cables:
- Only specific cabling configurations are supported. Many configurations can be constructed that are not supported and will either not function correctly or generates errors. See SAS cabling configurations for figures of the supported cabling configurations.
- Each mini-SAS 4x connector is keyed to help prevent cabling an unsupported configuration.
- HD SAS cables have a key that prevents the cable retention from latching if the cable is oriented incorrectly. HD SAS cables slide in easily and latch correctly if they are inserted with the blue release tab on the right side of the card connector.
- Each cable end has a label that graphically describes the correct component port to which it is
connected, such as:
- SAS adapter
- Expansion drawer
- System external SAS port
- Internal SAS disk slots connection.
- Cable routing is important. For example, YO and X cables must be routed along the right side of the rack frame (as viewed from the rear) when you connect to a disk expansion drawer. Additionally, X cables must be attached to the same numbered port on both SAS adapters to which it connects.
- When a choice of cable lengths is available, select the shortest cable that provides the needed connectivity.
- Always use care when you insert or remove a cable. The cable should slide easily into the connector. Forcing a cable into a connector can cause damage to the cable or connector. When you remove a cable, pull straight back on the blue release tab. Do not pull the blue release tab off to the side, otherwise breakage might occur. After the cable latch is released, pull on the black cable to remove it from the connector.
- New SAS cables with mini-SAS HD narrow connectors are required for any PCIe3 SAS adapter connection. These cables are also compatible with earlier PCIe2 SAS adapters.
- Not all cabling configurations are supported when you use solid-state drives (SSD). See Installing and configuring Solid State Drives for more information.
Supported SAS cable information
The following table contains a list of the supported serial-attached SCSI (SAS) cable types and their designed usage.
| Cable type | Function |
|---|---|
| AA cable | This cable is used to connect the top one or two ports between two PCIe3 caching SAS RAID adapters. |
| AE cable | These cables are used to connect a SAS adapter to a media expansion drawer. |
| YO cable | This cable is used to connect a SAS adapter to a disk expansion drawer. The cable must be routed along the right side of the rack frame (as viewed from the rear) when you connect to a disk expansion drawer. |
| X cable | This cable is used to connect two SAS adapters to a disk expansion drawer in a RAID configuration. The cable must be routed along the right side of the rack frame (as viewed from the rear) when you connect to a disk expansion drawer. |
| AE1 cable | This 4 m (13.1 ft) SAS cable connects a PCIe3 SAS adapter to a SAS tape drive or DVD I/O enclosure. The AE cable has two connectors, one mini-SAS HD narrow connector and one mini-SAS connector. The mini-SAS HD Narrow connector attaches to a PCIe3 SAS adapter. The mini-SAS connector attaches to a SAS tape drive or DVD enclosure. |
| YE1 cable | This 3 m (9.8 ft) SAS cable connects a PCIe3 SAS adapter to one or two SAS tape drives in an I/O enclosure. The YE1 cable has three connectors, one mini-SAS HD (High Density) narrow connector and two mini-SAS connectors. The Mini-SAS HD Narrow connector attaches to a PCIe3 SAS adapter. Each mini-SAS connector attaches to a different SAS tape drive. |
| AS cable | This 3 m (9.8 ft) SAS cable is used to attach a DCS3700 to PCIe3 LP RAID SAS adapter. |
The following table contains specific information about each supported SAS cable for PCIe SAS adapters.
| Name | Length | IBM® part number | Feature code |
|---|---|---|---|
| SAS 4x AE cable | 3 m (9.8 ft) | 44V4163 | 3684 |
| 6 m (19.6 ft) | 44V4164 | 3685 |
| Name | Length | IBM part number | Feature code |
|---|---|---|---|
|
HD SAS AA12 narrow connector cable, SAS adapter to SAS adapter |
0.6 m (1.9 ft) |
01AF505 |
ECE0 |
|
1.5 m (4.9 ft) |
01AF506 |
ECE2 |
|
|
3 m (9.8 ft) |
01AF507 |
ECE31 |
|
|
4.5 m (14.8 ft) AOC2 |
78P4917 |
ECE4 |
|
|
HD SAS X12 narrow connector cable, SAS adapter to storage enclosure |
3 m (9.8 ft) |
01AF504 |
ECDJ |
|
4.5 m (14.8 ft) AOC2 |
78P4918 |
ECDK |
|
|
10 m (32.8 ft) AOC2 |
78P4919 |
ECDL |
|
|
HD SAS YO12 narrow connector cable, two SAS adapters to storage enclosure |
1.5 m (4.9 ft) |
01AF502 |
ECDT |
|
3 m (9.8 ft) |
01AF503 |
ECDU |
|
|
4.5 m (14.8 ft) AOC2 |
78P4920 |
ECDV |
|
|
10 m (32.8 ft) AOC2 |
78P4921 |
ECDW |
|
| HD SAS AA narrow connector cable, SAS adapter to SAS adapter |
0.6 m (1.9 ft) |
00E6287 |
ECC0 |
|
1.5 m (4.9 ft) |
00E6288 |
ECC2 |
|
|
3 m (9.8 ft) |
00E6289 |
ECC3 |
|
|
6 m (19.6 ft) |
00E6290 |
ECC4 |
|
| HD SAS X narrow connector cable |
3 m (9.8 ft) |
00E6297 |
ECBJ |
|
6 m (19.6 ft) |
00E6298 |
ECBK |
|
|
10 m (32.8 ft) |
00E6299 |
ECBL |
|
|
15 m (49.2 ft) |
00E6300 |
ECBM |
|
| HD SAS YO narrow connector cable |
1.5 m (4.9 ft) |
00E6292 |
ECBT |
|
3 m (9.8 ft) |
00E6293 |
ECBU |
|
|
6 m (19.6 ft) |
00E6294 |
ECBV |
|
|
10 m (32.8 ft) |
00E6295 |
ECBW |
|
|
15 m (49.2 ft) |
00E6296 |
ECBX |
|
| HD SAS AE1 narrow connector cable |
4 m (13.1 ft) |
46C2900 |
ECBY/5507 |
| HD SAS YE1 narrow connector cable |
3 m (9.8 ft) |
46C2902 |
ECBZ/5509 |
| HD SAS AS narrow connector cable |
3 m (9.8 ft) |
00FW799 |
ECC5 |
|
|||
The following table contains cable label information. The graphic labels are designed to match the correct component port to which the cable end is to be attached.
| Name | Connects | Label |
|---|---|---|
| SAS 4x AE cable | SAS adapter to a media expansion drawer or two SAS adapters to a disk expansion drawer in a unique JBOD configuration |
![]() ![]() |
|
SAS AA cable |
SAS adapter to SAS adapter |
![]() |
|
SAS YO cable |
SAS adapter to a disk expansion drawer |
![]() ![]() |
|
SAS X cable |
Two SAS adapters to a disk expansion drawer in a RAID configuration |
![]() ![]() |
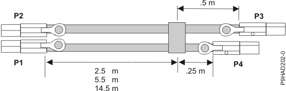
Cable section lengths


SAS cabling configurations
SAS adapter to media expansion drawer

SAS adapter to expansion drawer combinations

System external SAS port to disk expansion drawer

Two RAID SAS adapters with HD connectors to disk expansion drawer in a multi-initiator high availability (HA) mode (dual storage adapter configuration)
Figure 6, Figure 7, and Figure 8 illustrate connecting two SAS RAID adapters with HD connectors to one, two, or three disk expansion drawers in a multi-initiator HA mode.
Figure 9 illustrates connecting two pair of SAS RAID adapters with HD connectors to one disk expansion drawer in a multi-initiator HA mode.

- No cascading allowed for the 5887 storage drawer.
- The 5887 storage drawer is connected to same numbered port on each adapter.
- HD AA cable is required.

- No cascading allowed for the 5887 storage drawer.
- The 5887 storage drawers are connected to same numbered port on each adapter.
- HD AA cable is required.

- No cascading allowed for the 5887 storage drawer.
- The 5887 storage drawers are connected to same numbered port on each adapter.

- No cascading allowed for the 5887 storage drawer.
- The 5887 storage drawer is connected to same numbered port on each adapter.
- HD AA cable is required.
Internal disk drive sharing
The following information is for use after the FC 5901 SAS Storage adapter is installed. Install the adapter and then return here. For more information about the PCI adapters topic, see Installing PCIe adapters in the 9008-22L, 9009-22A, or 9223-22H system.
Please review the tasks in the Before you begin section before you proceed with the following procedure.
This feature allows you to split the internal disks in the system unit enclosure into groups that you can manage separately.
- Stop and power off the system. For more information, see Stopping a system or logical partition.
- Cable a single system unit enclosure by completing the following steps:
- Attach the cable to the SAS port on the rear bulkhead of the system unit enclosure to the top
port in the SAS Storage Controller as shown in the following figure.
Restriction: Internal disk drive sharing is only available when internal cable feature FC 1815 is installed from the DASD backplane to the read bulkhead of the system unit enclosure. Also FC 5662 175 MB cache RAID - dual IOA enablement card must not be installed. The SAS Storage Controller might be in any of the other slots that support it.

- Secure any extra cable.
- Attach the cable to the SAS port on the rear bulkhead of the system unit enclosure to the top
port in the SAS Storage Controller as shown in the following figure.
- Start the system. For more information, see Starting the system or logical partition.
- Verify that the feature is installed and is working. For more information, see Verifying the installed part.
With this function installed, two of the six disks (D3 and D6) in the system enclosure is managed by the SAS storage controller adapter.


