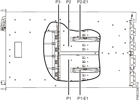
EMX0 PCIe Gen3 I/O expansion drawer locations
Use this information to help you map a location code to a position on the unit.
The following diagrams show the field-replaceable unit (FRU) layout in the system. Use these diagrams with the following tables.



The following table provides location codes for parts that make up the server.
| Failing item name | Physical location code | Identify LED | Failing item removal and replacement procedures |
|---|---|---|---|
| Fans | |||
| Fan | Un-A1 | Yes | See Removing and replacing parts. |
| Fan | Un-A2 | Yes | |
| Fan | Un-A3 | Yes | |
| Fan | Un-A4 | Yes | |
| Left PCIe3 6-slot fanout module | |||
| Left I/O module | Un-P1 | Yes | See Removing and replacing parts. |
| PCIe x16 slot 1 | Un-P1-C1 | Yes | See Removing and replacing parts. |
| PCIe x8 slot 2 | Un-P1-C2 | Yes | |
| PCIe x8 slot 3 | Un-P1-C3 | Yes | |
| PCIe x16 slot 4 | Un-P1-C4 | Yes | |
| PCIe x8 slot 5 | Un-P1-C5 | Yes | |
| PCIe x8 slot 6 | Un-P1-C6 | Yes | |
| Top expansion drawer cable | Un-P1-T1 | Yes | See Removing and replacing parts. |
| Bottom expansion drawer cable | Un-P1-T2 | Yes | |
| Right PCIe3 6-slot fanout module | |||
| Right I/O module | Un-P2 | Yes | See Removing and replacing parts. |
| PCIe x16 slot 1 | Un-P2-C1 | Yes | See Removing and replacing parts. |
| PCIe x8 slot 2 | Un-P2-C2 | Yes | |
| PCIe x8 slot 3 | Un-P2-C3 | Yes | |
| PCIe x16 slot 4 | Un-P2-C4 | Yes | |
| PCIe x8 slot 5 | Un-P2-C5 | Yes | |
| PCIe x8 slot 6 | Un-P2-C6 | Yes | |
| Top expansion drawer cable | Un-P2-T1 | Yes | See Removing and replacing parts. |
| Bottom expansion drawer cable | Un-P2-T2 | Yes | |
| Chassis management card | |||
| Chassis management card | Un-P3-C1 | Yes | See Removing and replacing parts. |
| Midplane | |||
| Midplane | Un-P3 | Yes | See Removing and replacing parts. |
| VRMs | |||
| Voltage regulator module 1 | Un-P1-E1 | Yes | See Removing and replacing parts. |
| Voltage regulator module 2 | Un-P2-E1 | Yes | |
| Power supplies | |||
| Power supply (top) | Un-E1 | Yes | See Removing and replacing parts. |
| Power supply (bottom) | Un-E2 | Yes | |